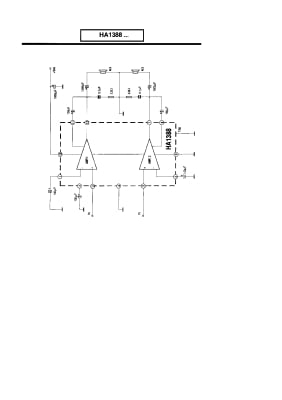
HA1388
Αριθμός είδους.: 020106

1 από 1

ППЦ:
€
€
8.18
€
Валидност на промоцията
до
Σε απόθεμα
Παράδοση και Πληρωμή
Βιαστείτε, έχουν απομείνει μόνο 12 μονάδες!
Προσθήκη στα Αγαπημένα
Τα αγαπημένα σας προϊόντα Ασφαλής πληρωμή μέσω:
Παράδοση οπουδήποτε στον κόσμο:
Περιγραφή
PWR. AMP. 1x18W 4ohm 18V; also:PA3005-2;HA1384\npackige;12-SIP LIN-IC PIONEER